Produktabbildungen sind beispielhaft und können in Details abweichen.
Artikelnummer:
142231
Artikeldateien auf Anfrage!
Produktinformationen "Gewindefräsplatte Typ 15 60°"
TrioCUT zeichnet sich durch weiches Schneidverhalten und geringen Schnittdruck aus, und erzielt dadurch erzielen hohe Standzeiten und Oberflächengüten. Der konisch zulaufende Plattensitz garantiert einen hochstabilen Werkzeugschaft. Weitere Merkmale sind ein radial hinterschliffenes Gewindeprofil für einen extrem großen Keilwinkel sowie eine stabile Schnittkante.
Das optimale Einsatzgebiet liegt bei Feingewinden und/oder sehr kurzen Gewindelängen.
In Größe 17 gibt es Ausführungen mit einer Bohrschneide, mit der das Kernloch im BohrFräs-Verfahren hergestellt werden kann.
Das optimale Einsatzgebiet liegt bei Feingewinden und/oder sehr kurzen Gewindelängen.
In Größe 17 gibt es Ausführungen mit einer Bohrschneide, mit der das Kernloch im BohrFräs-Verfahren hergestellt werden kann.
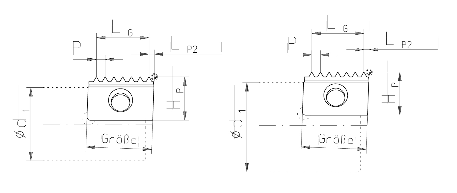
| Steigung [mm]: | 3,5 |
|---|---|
| Profilausführung: | Vollprofil |
| Gewindeart: | Innengewinde |
| Typ: | Typ 15 |
| Anzahl Zähne: | 4 |
| L P2 [mm]: | 1,74 |
| Typ Grösse: | 15 |
| H P [mm]: | 10,5 |
| Gewindeprofil: | 60° |
| Gewindenorm: | DIN 13 |
| Gewinderichtung: | Rechts & Linksgewinde |
| Beschichtung: | Tinamatic |
| Substrat: | FKN |
| Einsatzbereich: | Universal ≤54HRC |
Vor dem Einsatz ist die Maschine auf mögliche Störkonturen seitens des Werkzeugs zu prüfen. Für daraus resultierende Schäden übernehmen wir keine Haftung.
|
P (Stahl)
|
M (Rostfreier Stahl / Edelstahl)
|
K (Gusseisen)
|
N (Nichteisenmetalle)
|
S (Superlegierungen und Titan)
|
H (Gehärtete Stähle)
|
O (Andere)
|
|
|---|---|---|---|---|---|---|---|
| Vc | |||||||
| fz |