Produktabbildungen sind beispielhaft und können in Details abweichen.
Artikelnummer:
171561
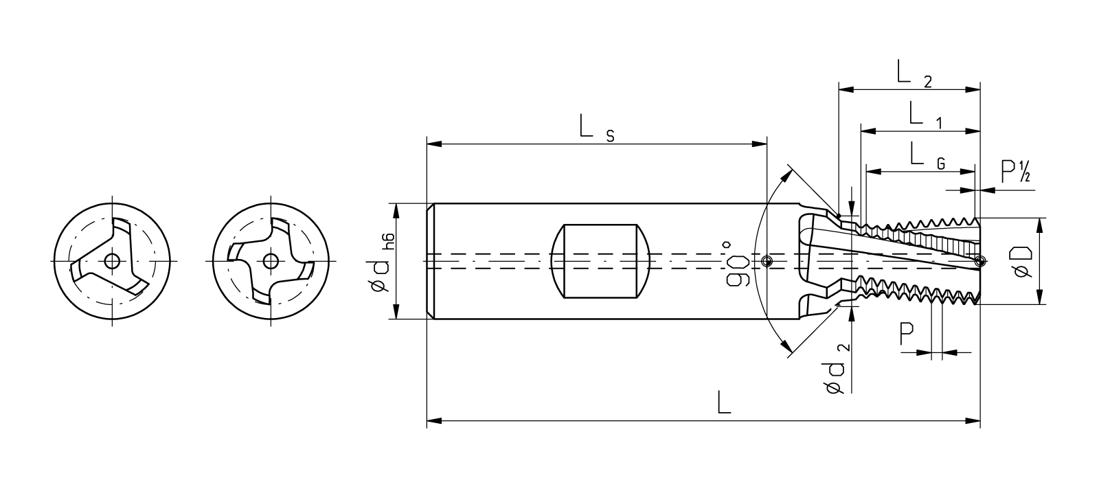
Produktinformationen "Gewindefräser SolidCUT Standard 60° 2xD Senkfase"
| Steigung [mm]: | 2 |
|---|---|
| Gewindebereich: | M14 |
| Schneidendurchmesser D [mm]: | 11,6 |
| Profilausführung: | Vollprofil |
| Gewindeart: | Innengewinde |
| Typ: | SolidCUT Standard |
| Anzahl Schneiden: | 4 |
| Anzahl Zähne: | 16 |
| Spanwinkel: | 8° |
| Innere Kühlmittelzufuhr: | axial |
| Ausführung: | 2xD |
| Gewindeprofil: | 60° |
| Gewindenorm: | DIN 13 |
| Gewinderichtung: | Rechts & Linksgewinde |
| Beschichtung: | Tinamatic |
| Substrat: | VHM |
| Einsatzbereich: | Universal ≤54HRC |
| Schaftform DIN1835/6535: | HA (Glattschaft) |
| d h6 [mm]: | 16 |
| d2 [mm]: | 14,3 |
| L [mm]: | 100 |
| L1 [mm]: | 32 |
| L2 [mm]: | 34,85 |
| Drallsteigungswinkel: | ~13°R |
Vor dem Einsatz ist die Maschine auf mögliche Störkonturen seitens des Werkzeugs zu prüfen. Für daraus resultierende Schäden übernehmen wir keine Haftung.
|
Stahl
|
VA
|
Guss
|
Alu
|
Ni-Leg
|
Hart bearb
|
|
|---|---|---|---|---|---|---|
| Vc | ||||||
| fz |