Produktabbildungen sind beispielhaft und können in Details abweichen.
Artikelnummer:
172389
Artikeldateien auf Anfrage!
Produktinformationen "Gewindefräser SolidCUT Standard 55° 2xD Senkfase"
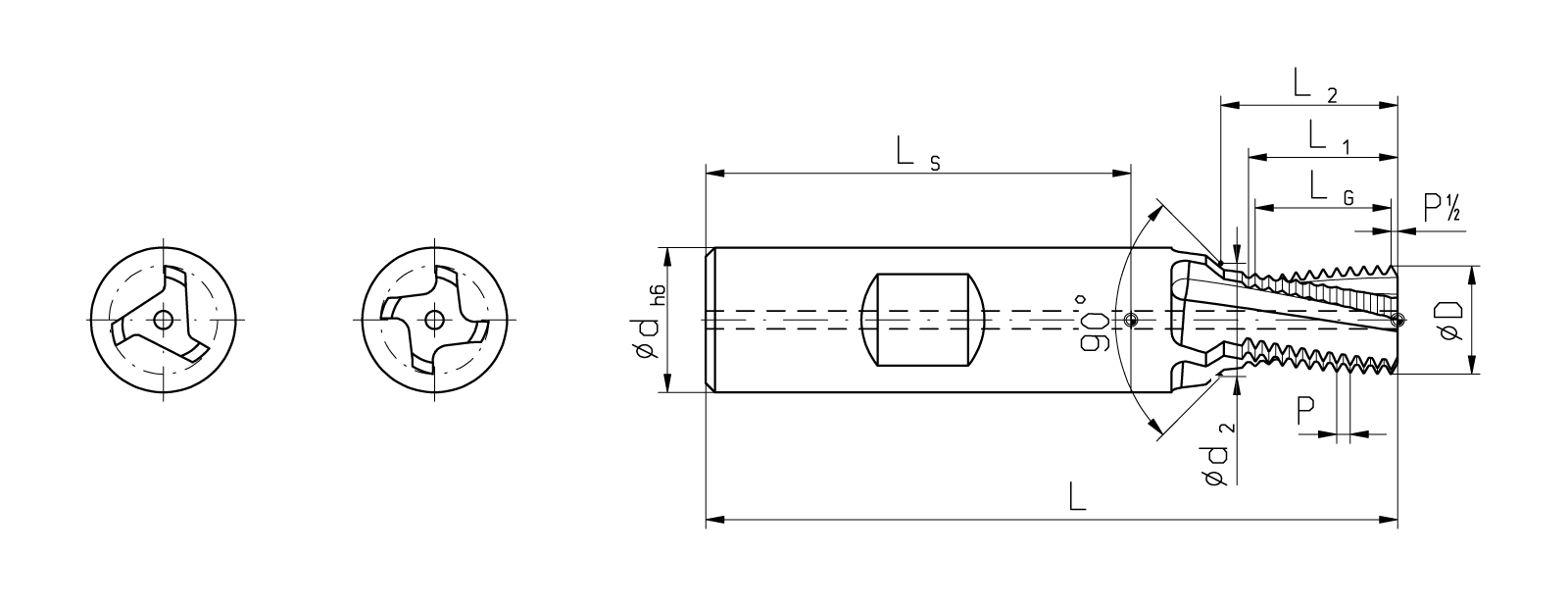
| Steigung [mm]: | 1,337 |
|---|---|
| Gang pro Zoll: | 19 |
| Gewindebereich: | G 1/4 |
| Schneidendurchmesser D [mm]: | 9,9 |
| Profilausführung: | Vollprofil |
| Gewindeart: | Innen- und Aussengewinde |
| Typ: | SolidCUT Standard |
| Anzahl Schneiden: | 4 |
| Anzahl Zähne: | 21 |
| Spanwinkel: | 8° |
| Innere Kühlmittelzufuhr: | axial |
| Ausführung: | 2xD |
| Gewindeprofil: | 55° |
| Gewindenorm: | DIN 228/1 |
| Gewinderichtung: | Rechts & Linksgewinde |
| Beschichtung: | Tinamatic |
| Substrat: | VHM |
| Einsatzbereich: | Universal ≤54HRC |
| Schaftform DIN1835/6535: | HB (Weldon) |
| d h6 [mm]: | 16 |
| L [mm]: | 100 |
| L1 [mm]: | 28 |
| L2 [mm]: | 30,8 |
| Drallsteigungswinkel: | ~13°R |
Vor dem Einsatz ist die Maschine auf mögliche Störkonturen seitens des Werkzeugs zu prüfen. Für daraus resultierende Schäden übernehmen wir keine Haftung.
|
Stahl
|
VA
|
Guss
|
Alu
|
Ni-Leg
|
Hart bearb
|
|
|---|---|---|---|---|---|---|
| Vc | ||||||
| fz |