Produktabbildungen sind beispielhaft und können in Details abweichen.
kurzfristig lieferbar
Artikelnummer:
105049
Artikeldateien auf Anfrage!
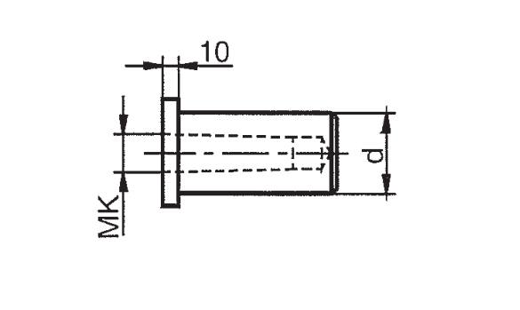
Produktinformationen "Bohrer-Einsatzhülse MK3 D50"
| Spanndurchmesser [mm]: | D 50 |
|---|---|
| Typ Werkzeugaufnahme: | Bohrer-Einsatzhülse |
| Werkzeugart: | Statisch |
Vor dem Einsatz ist die Maschine auf mögliche Störkonturen seitens des Werkzeugs zu prüfen. Für daraus resultierende Schäden übernehmen wir keine Haftung.
|
P (Stahl)
|
M (Rostfreier Stahl / Edelstahl)
|
K (Gusseisen)
|
N (Nichteisenmetalle)
|
S (Superlegierungen und Titan)
|
H (Gehärtete Stähle)
|
O (Andere)
|
|---|